suncitygroup太阳(集团)有限公司-官方网站
首页
集团概况
集团简介
旗下产业
企业文化
董事长致辞
组织建设
资质荣誉
集团优势
区域优势
资源优势
技术优势
设备优势
团队优势
产品中心
战略合作
合作伙伴
政府协会
校企合作
营销网络
工程案例
铝装饰
铝家居
铝建材
集团资讯
企业要闻
企业风采
每日分享
行业动态
社会责任
公益理念
公益活动
环保信息公示
联系我们
联系方式
人才招聘
在线留言
招投标公告
集团咨询
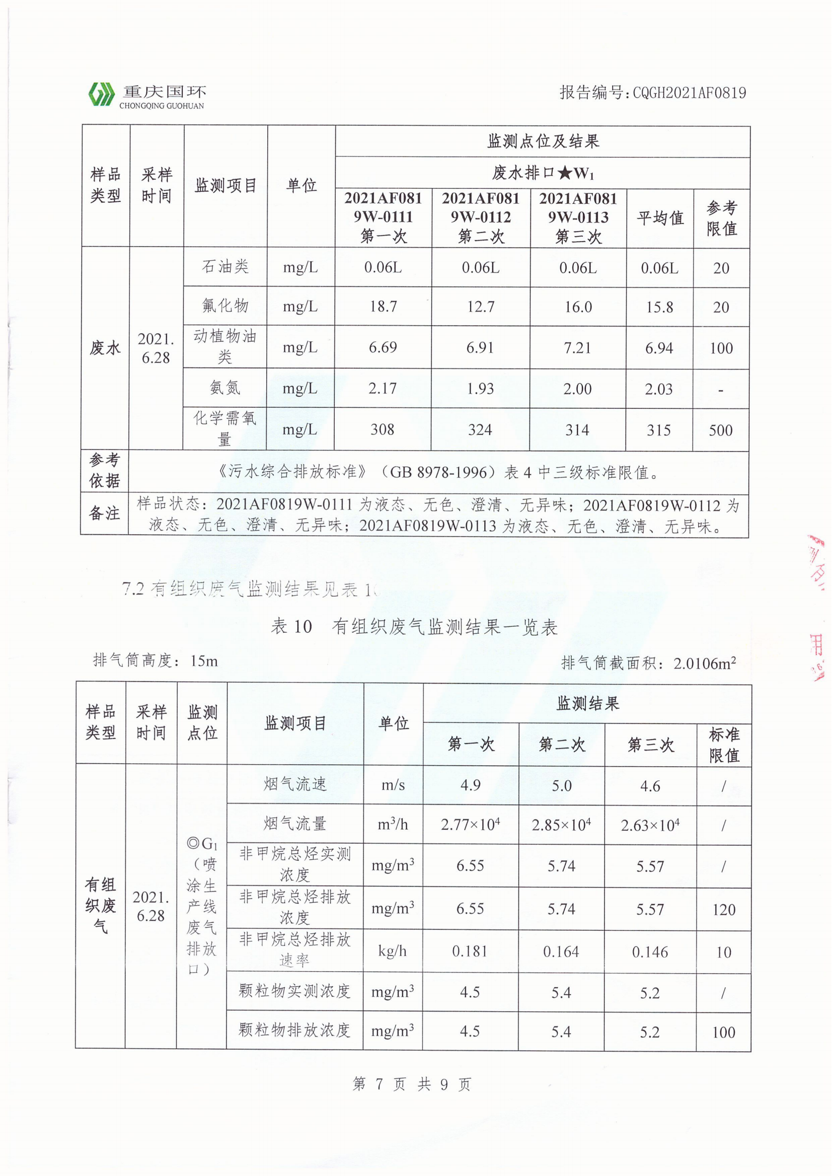
重庆国环环境监测报告-环保信息公示
2022-01-04
返回列表
返回列表
相关新闻
友情链接
×
关联企业网站
八戒美宅自建房
行业网站
13883035456